プロジェクションダイヤモンドヤスリとは
ダイヤモンド(DIA)の砥粒を電着させた両刃ヤスリです。
ヤスリの面が平行になっているため、上下同時に研磨できます。大型のプロジェクション電極の研摩に最適です。
電着された無数の砥粒で電極を研磨することにより、砥粒一粒当りの切削抵抗を低下させ、非常に高い研磨精度を安定して得ることができます。
さらに砥粒に使用されているDIA素材は材料除去率が非常に高いため、良好な研磨が可能になります。
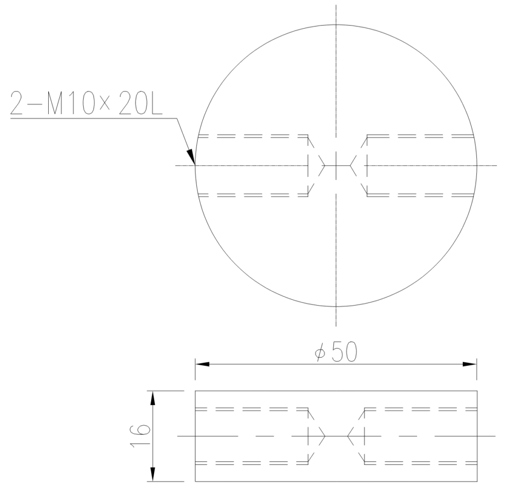
下記は製作例ですが、お客様のご要望に応じて設計・製作も承っております。
砥石粒度も変更できますので、お気軽にお問い合わせください。
型式:PJDY-30/40P(プレートタイプ) 砥石粒度:#120


型式:PJDY-50D(ディスクタイプ) 砥石粒度:#120


